中国邮政集团有限公司将对目前使用的日戳样式进行改革,此前《集邮》杂志微信公众号举办了数次投票及意见征求。现受中国邮政集团有限公司相关业务部门委托将拟使用的日戳样式公布如下。

普通日戳戳印

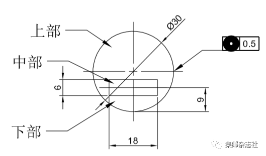
普通日戳戳印示意图

少数民族日戳戳印示意图

临时邮局戳印示意图

业务信息和日戳序号放置在戳印中部的普通日戳戳印示意图
普通日戳为盖在邮件、邮票或邮政单据上,表明邮件处理时间、地点、机构等信息的戳印。普通日戳包含ø25mm和ø30mm两种规格,日戳形状应为圆形。其中ø30mm用于少数民族文字的日戳。普通日戳戳印上部为省(市)县(区)地名信息简称,中部为时间信息,左下部为机构信息简称(可为所属基层营业地名简称、主题邮局简称、内部处理机构简称等),右下部为日戳序号(两把以上日戳开始序列标号),其中上部信息格式应为:“直辖市或省会名称”或“省名+地级市或县(区)名”。下部中间位置可增加业务信息简称,并加以括号,如“(营)”为营业专用,“(投)”为投递专用,“(临)”为临时邮局专用。

风景日戳戳印
风景日戳是刻有当地风景图案和风景所在地地名的邮政日戳的戳印。风景日戳戳印上部为风景图案幅面,中部为时间信息,下部为地名信息,布局及图案部分可自行调整。

文化日戳是邮政部门为弘扬中华优秀传统文化和革命历史传统,宣传国家特色自然资源及非物质文化遗产,纪念重大节日、事件和活动而专门刻制的一种带有宣传、纪念文字和美术图案的戳印。文化日戳戳印可使用圆形、椭圆形或方形。其中,圆形直径应为30 mm;椭圆形长轴为40 mm,短轴为30 mm;方形戳印为35 mm×35 mm,四角采用半径为5mm的圆角设计。文化日戳戳印应包含地名信息、机构信息和日期(时间)信息。其中,地名信息和机构信息区域为距离外轮廓线6 mm的环(带)状区域。地名信息、机构信息和时间信息周围应留有1~2mm空白区域。
您对上述日戳、风景日戳、文化日戳有何建议或意见可以以留言或私信的形式告知我们。